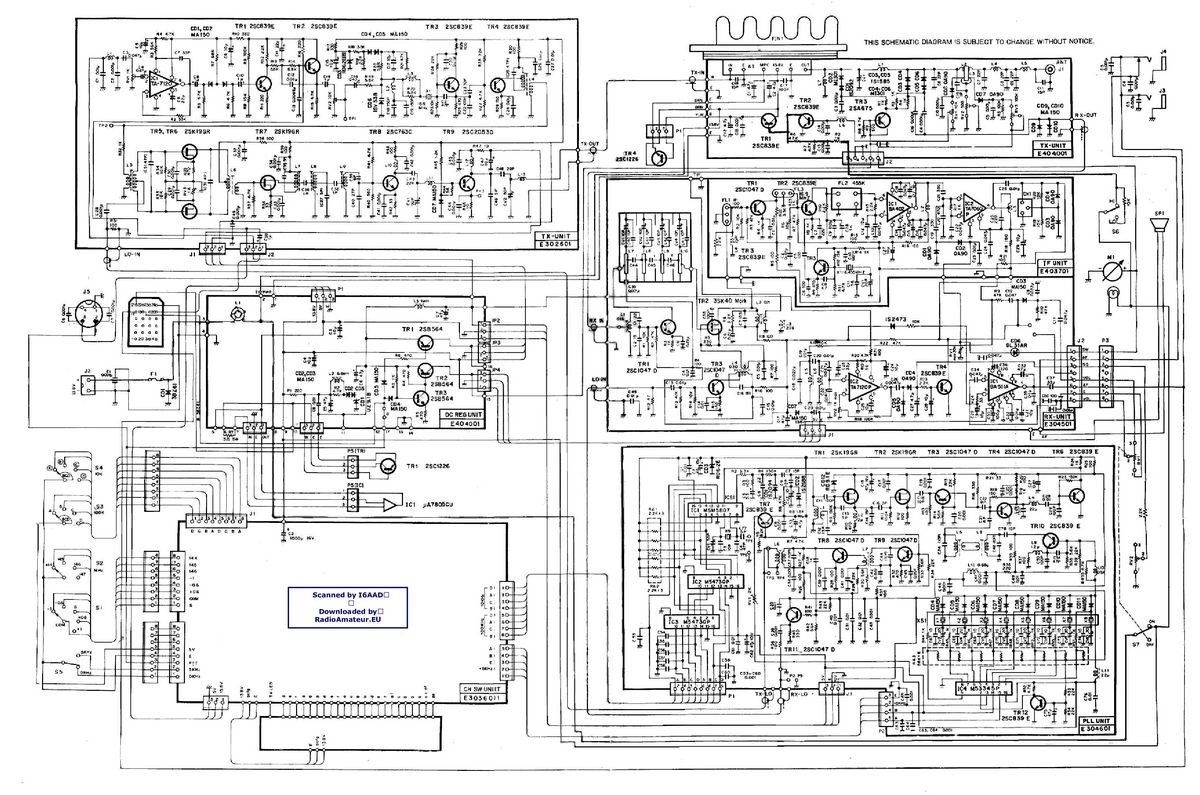
Bigear Type-2
Bigear Type-2
Marca: Bigear
Modelo: Type-2
Bandas: VHF
Obtención de frecuencia por: PLL
Frecuencias: 144-148
Modo de Modulación: FM:25 watios
Antigüedad: 1980
Estado actual: OK
Pais de fabricación: Japón
Pais de adquisición: España
Donado por: Jose Tinoco, EA4YW, de Badajoz
Observaciones:
Equipo sintetizado de la banda de radioaficonado en 2 metros.
Es muy curiosa la manera de obtener la frecuencia, a base de 3 conmutadores y un interruptor.
Excelente presentación.







