CTE 747
Marca: CTE
Modelo: 747
Frecuencia: CB
Modo de Modulación: AM-FM-SSB-CW
Potencia: 100 watios
Antigüedad aproximada: 1990
Estado actual: defectuoso
País de Fabricación: Italia
País de Adquisición: España
Donada por: EA7CRA, Jose.
Observaciones:
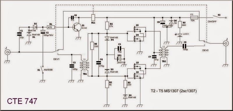
Pequeño amplificador de 100 watios, con 4 Mos-fet MS-1307 (o 2SC1307). Consume 10 amperios.
Información adicional
| Año de fabricación | 1990 |
|---|---|
| Banda | AM, CW, FM, SSB |
| Marca | CTE |
| Potencia | 100 W |
| Tipo de Emisora | Amplificador |






