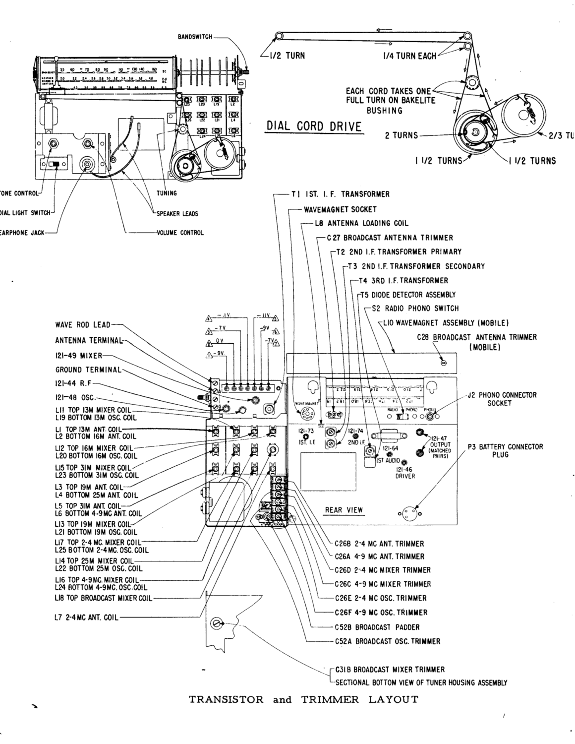
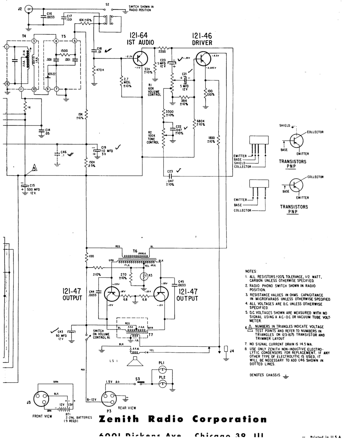
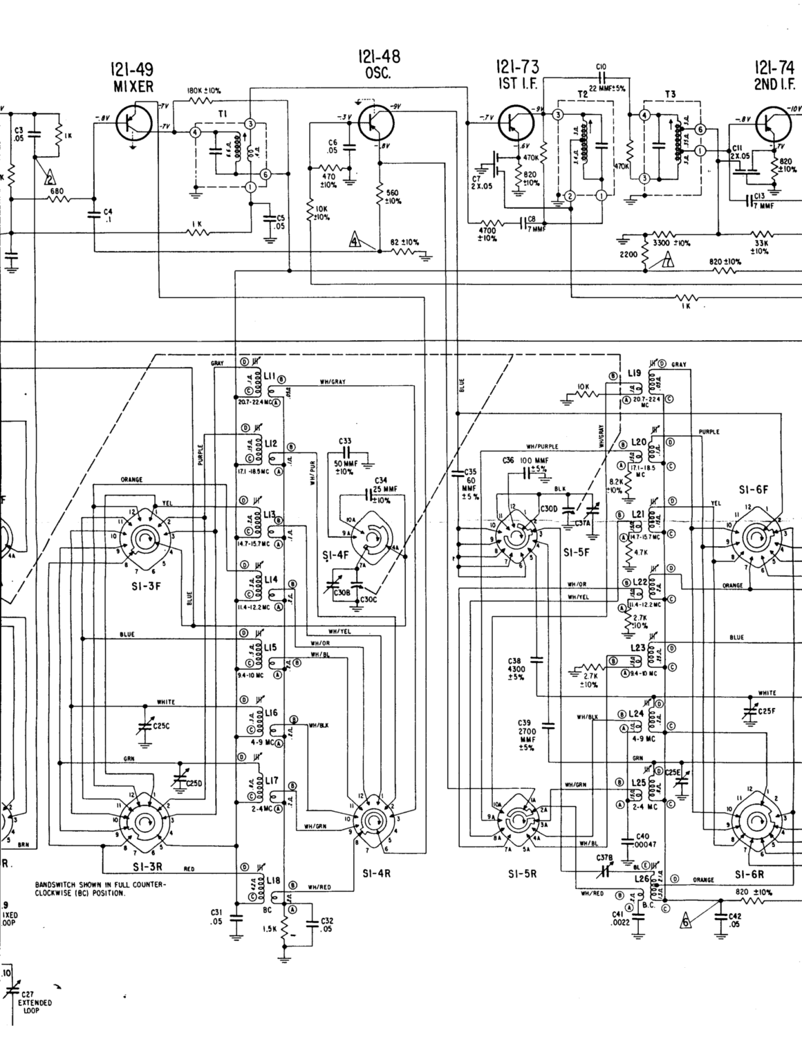
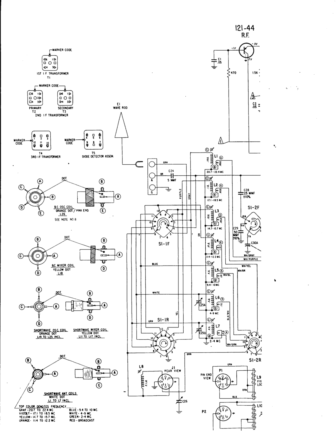
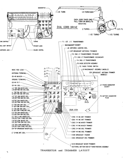
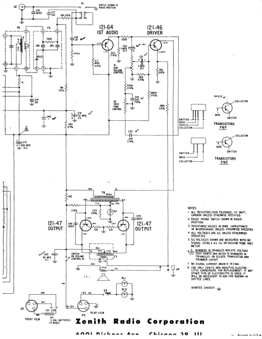
Zenith Trans-Oceanic Royal 1000-1
Zenith Trans-Oceanic Royal 1000-1
Marca: Zenith
Modelo: Trans-Oceanic Royal 1000-1
Antigüedad: 1964
Estado actual: OK
Pais de fabricación: USA
Pais de adquisición: España
Donado por: Miguel Angel Caballero “Patones”, de Móstoles,
Observaciones:
Precioso y reputado receptor de 2 a 24 Mhz. Excelente calidad, diseño y gran recepción.
Donado a Museo CB por Miguel Angel Caballero “Patones”, de Móstoles (Madrid).



























